Барнаул, ул.Попова, д.11
Екатеринбург, ул.Уральская, д.3

закрыть 231
открыть 6886
открыть 10339
открыть 12061
открыть 12058
открыть 9300
открыть 3472
открыть 9523
открыть 3748
открыть 6420
закрыть 244
открыть 9579
открыть 9924
открыть 10208
открыть 10155
открыть 10172
открыть 10761
открыть 254
открыть 11411
открыть 253

Наши партнёры

   


Регуляторы напряжения KIPPRIBOR однофазные серия RPS12

Серия KIPPRIBOR HDH-xx44.ZD3 [M02]. ТТР (выключатели нагрузки) в стандартном корпусе для коммутации мощной нагрузки

Регуляторы напряжения однофазные серия RPS12 предназначены для бесступенчатого регулирования напряжения однофазной нагрузки в цепях переменного тока.  

Используются для управления мощностью нагрузки резистивного типа: нагревательных элементов, ламп накаливания.


НАЧАЛО ПРОДАЖ 1 КВАРТАЛ 2026 г.



Отличительные особенности регуляторов RPS12

  • Линейная выходная характеристика.
  • Управляющий сигнал: универсальный (ток/напряжение/сопротивление).
  • Тип нагрузки: резистивная.
  • Род тока питающей сети: переменный.
  • Номинальный ток регуляторов в серии: до 75 А.
  • Номинальное напряжение питания нагрузки: 48…380 VAC.
  • Диапазон регулирования напряжения нагрузки: от 10 В до напряжения питающей сети.

Конструктивные особенности однофазных регуляторов серии RPS12

  • Cимисторный выходной силовой элемент — регуляторы с максимальным током до 80 А, тиристорный – регуляторы с максимальным током 100 и более ампер
  • Встроенная шунтирующая выход RC-цепочка защищает регулятор от импульсных помех, возникающих в сети.
  • Изготовлены в стандартном корпусе нового образца, для монтажа на радиаторы охлаждения >>>

ВНИМАНИЕ! Внимание! В связи с наличием внутренней RC-цепи в силовой цепи регулятора даже при минимальном управляющем сигнале либо его отсутствии присутствует ток утечки, который зависит от параметров нагрузки.

При снижении управляющего сигнала до минимума, обрыве или отсутствии управляющего сигнала на выходе ТТР на нагрузке может присутствовать напряжение до 10 VAC.


Технические характеристики регуляторов серии RPS12

Технические характеристики входных цепей

Параметр Значение
Тип управляющего сигнала - Ток: 4…20 мА (входное сопротивление ≤250 Ом)
- Напряжение: 0…5 В (входное сопротивление ≥10 кОм)
- Напряжение: 0…10 В (входное сопротивление ≥10 кОм)
- Сопротивление: потенциометр 10 кОм / 1 Вт
Дополнительное питание Требуется питание от внешнего источника 12 В / 0,1 А

Технические характеристики выходных цепей

Параметр Значение
Модификация RPS12-1044.VAR RPS12-1544.VAR RPS12-2044.VAR RPS12-2544.VAR RPS12-3044.VAR RPS12-4044.VAR RPS12-6044.VAR RPS12-8044.VAR RPS12-10044.VAR RPS12-12544.VAR
Тип выходных силовых элементов Симистор Тиристор
Тип питающей сети однофазная
Род тока питающей сети Переменный
Номинальная частота питающей сети, Гц 50
Метод регулирования Фазовое управление симистором/тиристором
Минимальный коммутируемый ток, А 0,1
Диапазон регулирования напряжения От 10 до напряжения питающей сети
Максимальное напряжение питающей сети, VAC 440
Номинальное напряжение питания нагрузки, VAC 48…380
Допустимое отклонение выходного напряжения, VAC ± 5
Максимальный импульс тока во включенном состоянии (≤ 10мс), А 80 120 160 200 240 320 480 640 800 1000
Максимальное пиковое напряжение, VAC 800 1600
Ток утечки в закрытом состоянии, мА ≤ 10
Падение напряжения в коммутируемой цепи во включенном состоянии, VAC ≤ 3
Скорость нарастания тока (di/dt), А/мкс 50 120
Скорость нарастания напряжения в закрытом состоянии (dV/dt), В/мкс 500 1000
I2t (<10 мс), А2с 90 135 270 335 590 790 2735 3645 8230 10285
Тепловое сопротивление переход – основание (Rthjc), °С/ Вт 2,21 1,89 1,57 1,25 0,93 0,85 0,67 0,52 0,39 0,34
Максимальная температура p-n перехода (Tjmax), °С 125
Мощность рассеивания (Dissipation), Вт/А 1,18 1,17 1,16 1,15 1,14 1,13 1,06 1,02 0,98 0,93
Электрическая прочность изоляции, VAC 2000
Сопротивление изоляции, МОм (500 VDC) 100

Общие технические характеристики

Степень защиты IP20
Температура окружающей среды (эксплуатация), °С -20…+50
Температура окружающей среды (хранение) , °С -25…+85
Относительная влажность окружающей среды (эксплуатация, хранение), % 20…90
Органы индикации LED-индикатор
Встроенные защиты RC-цепь защиты силового ключа
Охлаждение Воздушное
Материал основания Алюминиевый сплав (модификации 10…80 А)
Медный сплав (модификации 100…125 А)
Тип монтажа Крепление винтами на плоскость
Масса, г ≤ 110 (модификации 10…80 А)
≤ 155 (модификации 100…125 А)

Модификации и номинальные токи регуляторов серии RPS12

Модификация регулятора Модификация радиатора KIPPRIBOR серии PTP Номинальный ток регулятора, А Максимальная мощность нагрузки, кВт
RPS12-1044.VAR PTP052 6 2,3
RPS12-1544.VAR PTP052 9 3,4
RPS12-2044.VAR PTP052 12 4,5
RPS12-2544.VAR PTP052 15 5,6
RPS12-3044.VAR PTP052 18 6,8
RPS12-4044.VAR PTP060 24 9,0
RPS12-6044.VAR PTP061.1 36 13,5
RPS12-8044.VAR PTP062.1 48 18,0
RPS12-10044.VAR PTP063.1 60 22,5
RPS12-12544.VAR PTP063.1 75 28,5

Зная мощность нагрузки, выберите ближайшую большую по мощности модификацию регулятора и указанный для этой модификации радиатор.

Внимание!

Рекомендации по величине номинальных токов актуальны только при нормальных условиях эксплуатации:

  • температура окружающего воздуха 23...25°C,
  • номинальное напряжение питания нагрузки,
  • регулятор установлен на рекомендуемой модели радиатора,
  • радиатор оснащен рекомендуемой моделью вентилятора.

Габаритные и установочные размеры регуляторов серии RPS12

Габаритные размеры RPS12

Размер резьбы Момент затяжки, Н*м
M4 1.2
M5 2

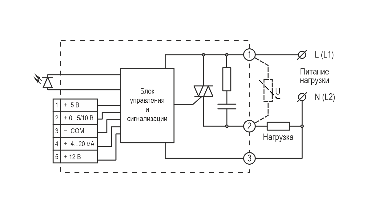
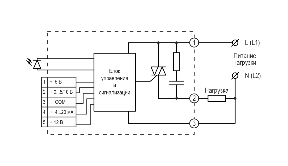
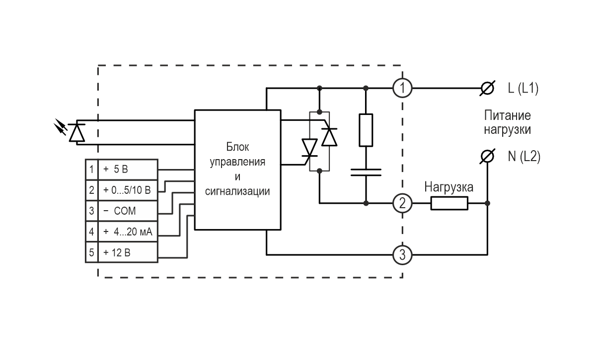
Схемы подключения силовой цепи регуляторов серии RPS12

Схемы на базе симисторов Схемы на базе тиристоров
выходные ключи на базе симисторов выходные ключи на базе тиристоров

Схемы подключения цепей управления и внешнего источника питания регуляторов серии RPS12

Схемы подключения цепей управления и внешнего источника питания регуляторов RPS12 Схемы подключения цепей управления и внешнего источника питания регуляторов RPS12
Управляющий сигнал – напряжение 0…5 В Управляющий сигнал – напряжение 0…10 В
Схемы подключения цепей управления и внешнего источника питания регуляторов RPS12 Схемы подключения цепей управления и внешнего источника питания регуляторов RPS12
Управляющий сигнал – ток 4…20 мА Управляющий сигнал – сопротивление (потенциометр 10 кОм/1 Вт)

Общие рекомендации

  • — Для эффективного охлаждения регулятора следует использовать радиатор.
  • — Для защиты от высоковольтных импульсных помех рекомендуется подключение варистора.
Схемы подключения цепей управления и внешнего источника питания регуляторов RPS12

Обозначение при заказе регуляторов серии RPS12

СУО RPS12

Например: RPS12-1044.VAR

Вы заказали: регулятор KIPPRIBOR серии RPS12 с максимальным током 10 А, максимальным напряжением питания нагрузки 440 VAC, с универсальным управляющим сигналом.




Наверх